欢迎光临禾牧商城! 您好! 退出
登录|免费注册| 我的禾牧
我的购物车
我的订单
积分商城
我的收藏
|帮助中心|供应商合作400-870-6661
首页 > 配件零部件 > 通用零部件 > 称重传感器 > Mettler Toledo梅特勒-托利多MTB 传感器 10kg~500kg

      价  格: 待询价
      品 牌: Mettler Toledo 梅特勒-托利多   ;
      采购量:
      +-
      • 推荐商品
      最近浏览记录
      • 商品介绍
      • 商品参数
      • 资料下载
      品牌:Mettler Toledo 梅特勒-托利多   ;
      产品展示


      不锈钢材质
      综合精度高,结构紧凑
      长期稳定性好
      可提供高温与高温防爆传感器
      适用于包装秤、皮带秤和化工、品和制药行业的配料称重控制

       

       

      可承受拉、压两种受力形式。抗偏载、抗疲劳能力强。对恶劣的工况环境可采用不锈钢波纹管焊接密封。适用于电子秤、皮带秤、料斗秤及其它力值的测量与控制。

      产品特性:

      选用不锈钢材质,焊接密封技术

      防护等级为IP68

      主要应用于包装秤、搅拌站、皮带秤上面

      量程可选:5,10,30,20,50,75,100,200,300,500

       

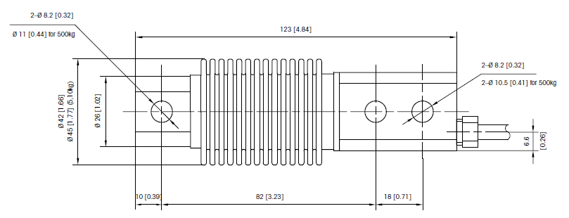
      规格参数:

       

      参考尺寸:

       

       

      产品特点
      产品视频